Kombinierte Turmbaugruppe VVZ-VZ3-004-15
Kombiniertes Turmset
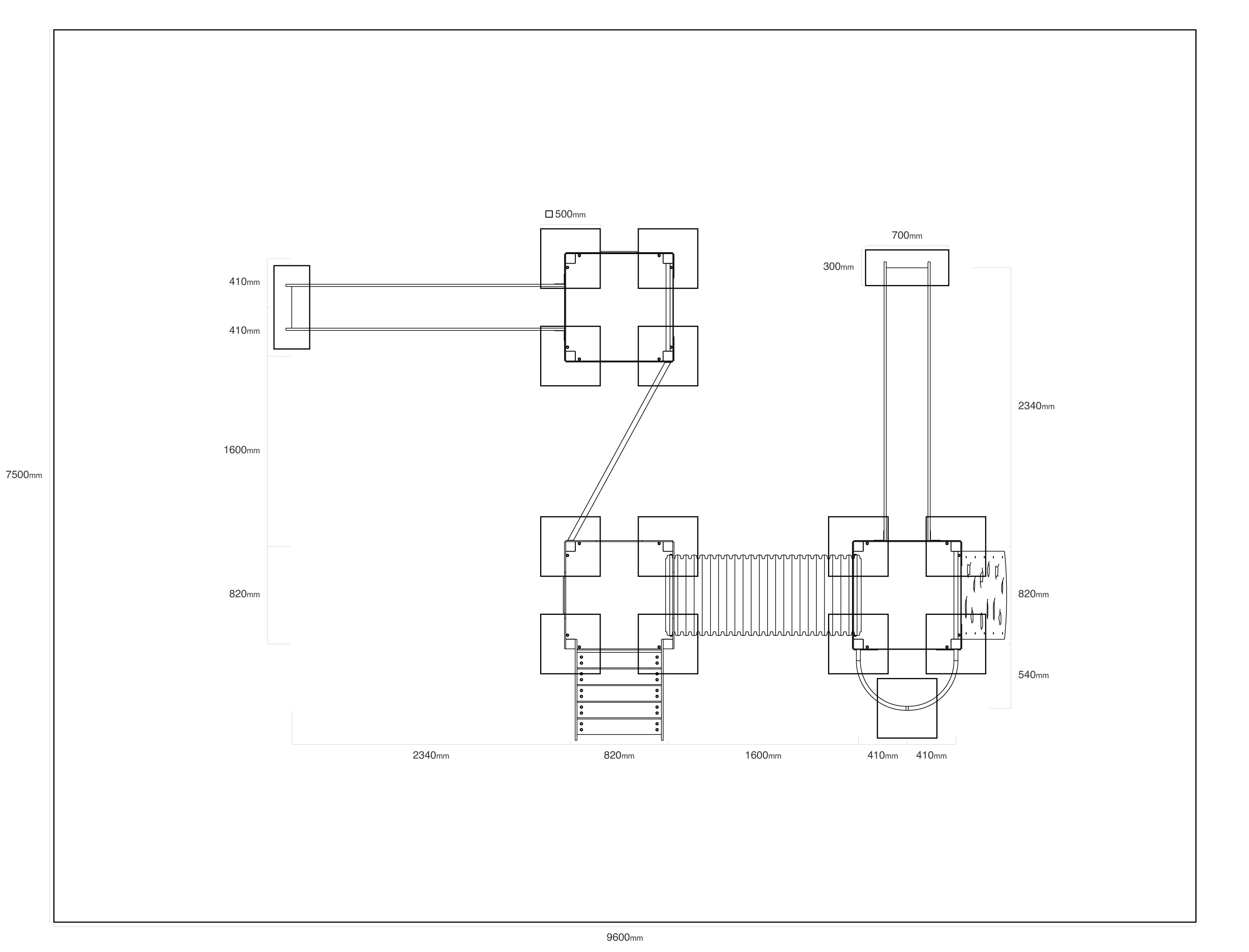
Dieses dreitürmige Kombinationsset in L-Form besteht aus zwei Türmen mit Wänden, die durch eine diagonale Seilwand und einen Tunnel mit dem mittleren Turm verbunden sind. Kinder können die Anlage über Stufen, eine geneigte Kletterwand mit Griffen, eine Kletterstange oder eine Leiter erklimmen und anschließend eine der beiden Rutschen oder eine Kletterstange hinuntersausen. Das türkis-orange Design lockt Kinder schon von Weitem zum Spielen an. Die Stahlkonstruktion ist dank Feuerverzinkung und strapazierfähiger Pulverbeschichtung witterungsbeständig. Das verwendete HPL-Material ist chemikalienbeständig, UV-beständig, farbecht, ungiftig, recycelbar und bruchfest. Es besteht keine Verletzungsgefahr durch scharfe Kanten oder Splitter. Die Seile bestehen aus Polyesterfasern, die um eine zentrale Verstärkung gewickelt sind. Diese Konstruktion erhöht die Festigkeit und Widerstandsfähigkeit der Seile gegen mechanische Belastung. Das Polyester selbst ist resistent gegen Mikroorganismen und Witterungseinflüsse, trocknet nach Regen schnell, ist farbecht und zeichnet sich durch hohe Festigkeit aus. Alle Verbindungen sind aus Edelstahl und mit Kunststoffkappen versehen, um Langlebigkeit und Sicherheit zu erhöhen.
SPEZIFIKATION:
Der kombinierte Turm VVZ-VZ3-004-15 ist nach STN EN 1176
zertifiziert.
Alterskategorie: 3–14 Jahre
Elementabmessungen: 5,9 x 4,1 x 3,6 m (L x B x H)
Freie Fallhöhe: bis zu 1,5 Meter
Aufprallfläche: 9,6 x 7,5 m (gemäß STN EN 1176-1)
Material: Feuerverzinkter und pulverbeschichteter Stahl, HPL-Materialstärke 6, 10, 15, 19, HDPE-Kunststoff, Polyesterseile, Edelstahlbefestigungen

HPL - Hochdrucklaminate

Klettern

Schiebetüren

Ja, wir bieten Transportdienste in der gesamten Slowakei an.
Alle Elemente unseres Angebots sind schlüsselfertig erhältlich. Wenn Sie jedoch Interesse haben und Kosten sparen möchten, können wir Ihnen eine Fundament- und Montagezeichnung zur Verfügung stellen, damit Sie die Elemente selbst montieren können.
Unsere Produkte werden in unserer Halle in Trenčín entworfen, entwickelt, getestet und hergestellt.
































.png&w=200&h=200)















